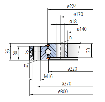
Other Standard Ball Slewing Rings
untoothed
| Drawing number | Mounting holes | Load ratings | Material,inner / outer ring | Transport holes | Taper type grease nipple DIN 71412 | Clearance | ||||||
| Weight | Number of holes outer ring | Number of holes inner ring | Static | dynamisch | Radial clearance | Axial tilting clearance | ||||||
| G | na | ni | Co rad | Co ax | C rad | C ax | T | X | SRad | Skipp | ||
| [kg] | [-] | [-] | [kN] | [kN] | [kN] | [kN] | [-] | [mm] | [mm] | |||
| Size 10-12 0120/0-03659 | 4 | 6 | 6 | 29 | 78 | 43 | 50 | C45N | – | 2 x AM8x1 | 0 – 0.03 | 0 – 0.03 |
| Size 10-16 0179/0-06672 | 7 | 12 | 12 | 78 | 209 | 89 | 103 | C45N | – | 2 x AM8x1 | 0.04 – 0.14 | 0.07 – 0.23 |
| Size 10-20 0220/0-03351 | 16 | 10 | 10 | 181 | 485 | 177 | 205 | C45N | – | 2 x AM6 | 0.05 – 0.20 | 0.10 – 0.40 |
| Size 10-12 0222/0-02710 | 11 | 12 | 12 | 143 | 253 | 70 | 82 | C45N | – | 2 x AM6 | 0 – 0.05 | 0 – 0.10 |
| Size 10-20 0260/0-02448 | 15 | 16 | 16 | 151 | 403 | 143 | 166 | C45N | – | 2 x AM6 | 0.05 – 0.20 | 0.08 – 0.33 |
| Size 10-22 0308/0-00270 | 28 | 24 | 28 | 185 | 494 | 172 | 200 | C45N | – | 4 x AM8x1 | 0 – 0.10 | 0 – 0.15 |
| Size 10-16 0325/0-03997 | 12 | 24 | 24 | 142 | 380 | 114 | 132 | C45N | – | 2 x AM6 | 0.04 – 0.14 | 0.07 – 0.23 |
| Size 10-25 0371/0-00181 | 41 | 16 | 16 | 392 | 1050 | 298 | 346 | C45N | – | 2x AM10x1 | 0.06 – 0.25 | 0.10 – 0.41 |
| Size 10-25 0380/0-03908 | 43 | 16 | 16 | 282 | 755 | 226 | 263 | C45N | – | 2x AM10x1 | 0.06 – 0.25 | 0.11 – 0.41 |
| Size 10-22 0404/0-04475 | 22 | 29* | 30 | 242 | 649 | 193 | 225 | C45N | – | 2 x AM8x1 | 0.05 – 0.15 | 0.05 – 0.15 |
| Size 10-32 0474/0-03498 | 68 | 24 | 24 | 381 | 1019 | 319 | 371 | C45N | – | 6 x AM8x1 | 0.07 – 0.30 | 0.12 – 0.48 |
| Size 10-32 0550/0-05642 | 75 | 24 | 24 | 514 | 1377 | 339 | 394 | 2CoMo4V | – | 4x AM10x1 | 0.08 – 0.32 | 0.13 – 0.52 |
| Size 10-32 0574/0-05823 | 77 | 36 | 35* | 537 | 1437 | 344 | 400 | C45N | – | 2 x AM10x1 | 0 – 0.10 | 0 – 0.15 |
| Size 10-32 0675/0-05584 | 131 | 36 | 35* | 899 | 2406 | 486 | 565 | 42CoMo4V | – | je 4x AM8x1 | 0 – 0.10 | 0 – 0.20 |
| Size 10-32 0680/0-00928 | 120 | 24 | 24 | 636 | 1702 | 365 | 425 | C45N | – | 8 x AM10x1 | 0.08 – 0.32 | 0.13 – 0.52 |
| Size 10-32 0780/0-00367 | 125 | 32 | 32 | 730 | 1952 | 385 | 448 | C45N | – | 4 x AM10x1 | 0.10 – 0.30 | 0.10 – 0.50 |
| Drawing number | Weight | Taper type grease nipple DIN 71412 |
| G | X | |
| [kg] | ||
| Size 10-12 0120/0-03659 | 4 | 2 x AM8x1 |
| Size 10-16 0179/0-06672 | 7 | 2 x AM8x1 |
| Size 10-20 0220/0-03351 | 16 | 2 x AM6 |
| Size 10-12 0222/0-02710 | 11 | 2 x AM6 |
| Size 10-20 0260/0-02448 | 15 | 2 x AM6 |
| Size 10-22 0308/0-00270 | 28 | 4 x AM8x1 |
| Size 10-16 0325/0-03997 | 12 | 2 x AM6 |
| Size 10-25 0371/0-00181 | 41 | 2x AM10x1 |
| Size 10-25 0380/0-03908 | 43 | 2x AM10x1 |
| Size 10-22 0404/0-04475 | 22 | 2 x AM8x1 |
| Size 10-32 0474/0-03498 | 68 | 6 x AM8x1 |
| Size 10-32 0550/0-05642 | 75 | 4x AM10x1 |
| Size 10-32 0574/0-05823 | 77 | 2 x AM10x1 |
| Size 10-32 0675/0-05584 | 131 | je 4x AM8x1 |
| Size 10-32 0680/0-00928 | 120 | 8 x AM10x1 |
| Size 10-32 0780/0-00367 | 125 | 4 x AM10x1 |
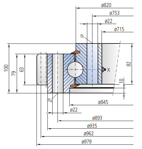
external toothed
| Drawing number | Gearing and tooth forces | Mpunting holes | Load ratings | Clearance | |||||||||||||
| Module | Number of teeth | Addentum modification coeff. | Permissible tooth force | Maximum permissible tooth force | Weight | Number of holes outer ring | Number of holes inner ring | Static | dynamisch | Material,inner / outer ring | Transport holes | Taper type grease nipple DIN 71412 | Radial clearance | Axial tilting clearance | |||
| m | z2 | x2 | fz norm | fz max | G | na | ni | Co rad | Co ax | C rad | C ax | T | X | SRad | Skipp | ||
| [mm] | [-] | [-] | [kN] | [kN] | [kg] | [-] | [-] | [kN] | [kN] | [kN] | [kN] | [-] | [mm] | [mm] | |||
| Size 11-16 0188/2-01707 | 4 | 62 | 0.5 | 8 | 16 | 7.5 | 16 | 15 | 143 | 384 | 121 | 141 | C45N 42CrMo4V | – | 2 x Ø10 | 0.03 – 0.10 | 0.05 – 0.20 |
| Size 11-16 0235/1-01933 | 4 | 78 | – | 5.8 | 12 | 13 | 12 | 12 | 143 | 384 | 132 | 153 | C45N | – | 2 x AM8x1 | 0.04 – 0.16 | 0.07 – 0.26 |
| Size 11-25 0309/1-03312 | 5 | 80 | – | 10.6 | 20.3 | 30 | 24 | 23* | 229 | 614 | 209 | 242 | C45N | – | 4 x AM8x1 | 0.06 – 0.25 | 0.10 – 0.41 |
| Size 11-25 0537/1-05677 | 6 | 112 | 0.5 | 24 | 44 | 91 | 30 | 29* | 568 | 1519 | 344 | 400 | 42CrMo4N | 3 x M16 | 2 x Ø8 | 0.06 – 0.25 | 0.11 – 0.41 |
| Size 11-22 0635/2-03924 | 6 | 122 | – | 23 | 43 | 79 | 40 | 40 | 536 | 1434 | 305 | 355 | 42CrMo4V | – | 4 x AM10x1 | 0 – 0.10 | 0 – 0.30 |
| Size 11-32 0675/2-03771 | 10 | 81 | 0.5 | 68 | 117 | 137 | 36 | 35* | 899 | 2406 | 486 | 565 | 42CrMo4C 42CrMo4V | – | je 3x AM10x1 | 0 – 0.10 | 0 – 0.21 |
| Size 11-25 0693/2-04976 | 10 | 81 | 0.5 | 64 | 111 | 132 | 42 | 42 | 514 | 1376 | 285 | 332 | 42CrMo4V | 3 x M16 | 4 x R1/4“ | 0.06 – 0.25 | 0.11 – 0.41 |
| Size 11-25 0716/1-04864 | 6 | 138 | 0.5 | 14.7 | 27.8 | 96 | 40 | 40 | 531 | 1422 | 287 | 334 | C45N | 3 x M16 | 4 x AM10x1 | 0 – 0.10 | 0 – 0.30 |
| Size 11-32 0823/2-02613 | 10 | 94 | 1.1 | 62 | 112 | 177 | 36 | 35* | 770 | 2060 | 393 | 458 | 42CrMo4V | – | 4 x AM10x1 | 0.08 – 0.32 | 0.13 – 0.52 |
| Size 11-32 0957/2-05549 | 12 | 91 | 1.07 | 108 | 187 | 324 | 42 | 41* | 1459 | 3906 | 553 | 644 | 42CrMo4V | 3 x M16 | 3 x R1/4“ | 0.08 – 0.32 | 0.13 – 0.52 |
| Size 41-20 0969/2-05532 | 8 | 131 | 1.07 | 45 | 80 | 213 | 30 | 30 | 798 | 2135 | 231 | 363 | 42CrMo4V | – | je 2 x AM10x1 | 0 – 0.10 | 0 – 0.20 |
| Size 41-32 1160/2-00991 | 10 | 132 | 0.5 | 73 | 131 | 429 | 40 | 40 | 1545 | 4134 | 594 | 692 | 42CrMo4C 42CrMo4V | – | je 4x AM10x1 | 0 – 0.10 | 0 – 0.25 |
| Size 11-40 1298/2-00767 | 12 | 120 | 0.9 | 107 | 185 | 362 | 60 | 59* | 1676 | 4485 | 586 | 682 | 42CrMo4V | – | 4 x AM10x1 | 0.08 – 0.32 | 0.13 – 0.52 |
| Size 11-32 1600/1-02300 | 14 | 126 | 0.5 | 85 | 145 | 479 | 40 | 40 | 497 | 4005 | 503 | 586 | C45N | – | 8 x AM10x1 | 0.08 – 0.32 | 0.13 – 0.52 |
| Size 11-25 1845/1-03705 | 8 | 244 | 0 | 27 | 48 | 261 | 36 | 36 | 1951 | 5220 | 543 | 633 | C45N | – | 6 x AM10x1 | 0 – 0.10 | 0.10 – 0.20 |
| Drawing number | Weight | Taper type grease nipple DIN 71412 |
| G | X | |
| [kg] | ||
| Size 11-16 0188/2-01707 | 7.5 | 2 x Ø10 |
| Size 11-16 0235/1-01933 | 13 | 2 x AM8x1 |
| Size 11-25 0309/1-03312 | 30 | 4 x AM8x1 |
| Size 11-25 0537/1-05677 | 91 | 2 x Ø8 |
| Size 11-22 0635/2-03924 | 79 | 4 x AM10x1 |
| Size 11-32 0675/2-03771 | 137 | je 3x AM10x1 |
| Size 11-25 0693/2-04976 | 132 | 4 x R1/4“ |
| Size 11-25 0716/1-04864 | 96 | 4 x AM10x1 |
| Size 11-32 0823/2-02613 | 177 | 4 x AM10x1 |
| Size 11-32 0957/2-05549 | 324 | 3 x R1/4“ |
| Size 41-20 0969/2-05532 | 213 | je 2 x AM10x1 |
| Size 41-32 1160/2-00991 | 429 | je 4x AM10x1 |
| Size 11-40 1298/2-00767 | 362 | 4 x AM10x1 |
| Size 11-32 1600/1-02300 | 479 | 8 x AM10x1 |
| Size 11-25 1845/1-03705 | 261 | 6 x AM10x1 |
internal toothed
| Drawing number | Gearing and tooth forces | Mpunting holes | Load ratings | Clearance | |||||||||||||
| Module | Number of teeth | Addentum modification coeff. | Permissible tooth force | Maximum permissible tooth force | Weight | Number of holes outer ring | Number of holes inner ring | Static | dynamisch | Material,inner / outer ring | Transport holes | Taper type grease nipple DIN 71412 | Radial clearance | Axial tilting clearance | |||
| m | z2 | x2 | fz norm | fz max | G | na | ni | Co rad | Co ax | C rad | C ax | T | X | SRad | Skipp | ||
| [mm] | [-] | [-] | [kN] | [kN] | [kg] | [-] | [-] | [kN] | [kN] | [kN] | [kN] | [-] | [mm] | [mm] | |||
| Size 12-16 0288/1-00306 | 4 | 56 | – | 4.1 | 11.2 | 12 | 20 | 20 | 125 | 337 | 108 | 126 | C45N | – | 3 x R1/4“ | 0.08 – 0.32 | 0.13 – 0.52 |
| Size 12-16 0344/2-01873 | 4 | 66 | – | 8 | 16.5 | 24 | 16 | 16 | 262 | 702 | 154 | 179 | 42CrMo4V C45N | – | 2 x AM8x1 | 0 – leichte Vorspannung | 0 – leichte Vorspannung |
| Size 12-16 0420/1-00728 | 4 | 85 | – | 4.2 | 11.7 | 4 | 16 | 16 | 184 | 491 | 124 | 145 | C45N | – | 2 x AM8x1 | 0.04 – 0.16 | 0.07 – 0.26 |
| Size 12-22 0782/2-01218 | 8 | 82 | -1 | 30.8 | 55 | 103 | 24 | 24 | 469 | 1255 | 248 | 289 | 42CrMo4V C45N | – | 4 x AM10x1 | 0 – 0.10 | 0 – 0.25 |
| Size 12-22 0850/2-01501 | 6 | 124 | -0.5 | 21 | 40 | 100 | 24 | 24 | 614 | 1642 | 256 | 298 | 42CrMo4V C45N | – | 4 x AM10x1 | 0 – 0.10 | 0 – 0.25 |
| Size 12-25 0889/2-04951 | 8 | 100 | – | 41 | 74 | 126 | 36 | 36 | 660 | 176 | 312 | 363 | 42CrMo4V | 4 x M10 | 4 x AM10x1 | 0.06 – 0.25 | 0.11 – 0.41 |
| Size 12-32 1128/2-04945 | 12 | 77 | -1.25 | 61 | 100 | 280 | 40 | 40 | 1055 | 2823 | 442 | 515 | 42CrMo4V | 2 x M20 | 4 x AM10x1 | 0 – 0.30 | 0 – 0.60 |
| Size 12-22 1131/2-01601 | 7 | 146 | -0.5 | 28.6 | 52 | 127 | 40 | 40 | 678 | 1815 | 284 | 331 | 42CrMo4V C45N | – | 4 x AM10x1 | 0.05 – 0.22 | 0.10 – 0.40 |
| Size 12-32 1159/2-01512 | 10 | 100 | – | 64 | 112 | 269 | 43 | 43 | 1084 | 2091 | 447 | 521 | 42CrMo4V C45N | – | 4 x AM10x1 | 0.08 – 0.32 | 0.13 – 0.52 |
| Size 12-32 1384/2-04719 | 14 | 85 | -0.5 | 109 | 183 | 432 | 48 | 48 | 1295 | 3464 | 477 | 556 | 42CrMo4V | 3 x M16 | 6x AM10x1 | 0.08 – 0.32 | 0.13 – 0.52 |
| Size 12-32 1400/2-04953 | 12 | 103 | -0.5 | 81 | 138 | 289 | 60 | 60 | 1865 | 4990 | 635 | 740 | 42CRmo4V | 3 x M16 | 15 x AM10x1 | 0.06 – 0.25 | 0.11 – 0.41 |
| Size 12-32 1582/2-04505 | 16 | 86 | -0.5 | 122 | 204 | 469 | 60 | 60 | 2413 | 6456 | 667 | 778 | 42CRmo4V | 3 x M16 | 5 x AM10x1 | 0.08 – 0.32 | 0.13 – 0.52 |
| Drawing number | Weight | Taper type grease nipple DIN 71412 |
| G | X | |
| [kg] | ||
| Size 12-16 0288/1-00306 | 12 | 3 x R1/4“ |
| Size 12-16 0344/2-01873 | 24 | 2 x AM8x1 |
| Size 12-16 0420/1-00728 | 4 | 2 x AM8x1 |
| Size 12-22 0782/2-01218 | 103 | 4 x AM10x1 |
| Size 12-22 0850/2-01501 | 100 | 4 x AM10x1 |
| Size 12-25 0889/2-04951 | 126 | 4 x AM10x1 |
| Size 12-32 1128/2-04945 | 280 | 4 x AM10x1 |
| Size 12-22 1131/2-01601 | 127 | 4 x AM10x1 |
| Size 12-32 1159/2-01512 | 269 | 4 x AM10x1 |
| Size 12-32 1384/2-04719 | 432 | 6x AM10x1 |
| Size 12-32 1400/2-04953 | 289 | 15 x AM10x1 |
| Size 12-32 1582/2-04505 | 469 | 5 x AM10x1 |
