SERIES 840
External Gear
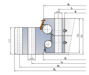
| Drawing number | Dimension and weight | Mounting holes | Gearing and tooth forces | Load ratings | ||||||||||||||||||
| Inside diameter outer ring | Outside diameter inner ring | Outside diameter outer ring | Inside diameter inner ring | Diameter outer ring | Diameter inner ring | Weight | Pitch circle diameter inner ring | Number of holes inner ring | Pitch circle diameter outer ring | Number of holes outer ring | Pitch circle diamete | Modul | Number of teeth | Permissible tooth force | Maximum permissible tooth force | Dynamic | Static | |||||
| Di | da | Da | di | a | b | G | Li | ni | La | na | do | m | z2 | f2 norm | fz max | C rad | C axT | C axH | Co rad | Co axT | Co axH | |
| [mm] | [mm] | [mm] | [mm] | [mm] | [mm] | [kg] | [mm] | [-] | [mm] | [-] | [mm] | [-] | [kN] | [kN] | [kN] | [kN] | [kN] | [kN] | [kN] | [kN] | ||
| 81-40 2240/2-07600 | 2275 | 2272 | 2524.8 | 2090 | – | – | 1316 | 2145 | 48 | 2375 | 48 | 2480 | 16 | 155 | 176 | 307 | 536 | 1265 | 1007 | 2102 | 10580 | 8632 |
| 81-40 2619/2-07605 | 2654 | 2651 | 2912.4 | 2465 | – | – | 1615 | 2520 | 52 | 2755 | 52 | 2862 | 18 | 159 | 205 | 357 | 568 | 1341 | 1067 | 2459 | 12371 | 10097 |
| 81-40 2795/2-07610 | 2830 | 2827 | 3096 | 2645 | – | – | 1723 | 2700 | 54 | 2930 | 54 | 3040 | 20 | 152 | 233 | 408 | 580 | 1375 | 1091 | 2625 | 13201 | 10778 |
| 81-40 2915/2-07615 | 2950 | 2947 | 3216 | 2765 | – | – | 1790 | 2820 | 60 | 3050 | 60 | 3160 | 20 | 158 | 233 | 408 | 590 | 1399 | 1109 | 2738 | 13768 | 11242 |
| 81-40 3150/2-07620 | 3185 | 3182 | 3456 | 3000 | – | – | 1969 | 3065 | 60 | 3285 | 60 | 3400 | 20 | 170 | 233 | 408 | 607 | 1436 | 1141 | 2959 | 14878 | 12151 |
| Drawing number | Outside diameter outer ring | Weight |
| Da | G | |
| [mm] | [kg] | |
| 81-40 2240/2-07600 | 2524.8 | 1316 |
| 81-40 2619/2-07605 | 2912.4 | 1615 |
| 81-40 2795/2-07610 | 3096 | 1723 |
| 81-40 2915/2-07615 | 3216 | 1790 |
| 81-40 3150/2-07620 | 3456 | 1969 |
Internal Gear
| Drawing number | Dimension and weight | Mounting holes | Gearing and tooth forces | Load ratings | ||||||||||||||||||
| Inside diameter outer ring | Outside diameter inner ring | Outside diameter outer ring | Inside diameter inner ring | Diameter outer ring | Diameter inner ring | Weight | Pitch circle diameter inner ring | Number of holes inner ring | Pitch circle diameter outer ring | Number of holes outer ring | Pitch circle diamete | Modul | Number of teeth | Permissible tooth force | Maximum permissible tooth force | Dynamic | Static | |||||
| Di | da | Da | di | a | b | G | Li | ni | La | na | do | m | z2 | f2 norm | fz max | C rad | C axT | C axH | Co rad | Co axT | Co axH | |
| [mm] | [mm] | [mm] | [mm] | [mm] | [mm] | [kg] | [mm] | [-] | [mm] | [-] | [mm] | [-] | [kN] | [kN] | [kN] | [kN] | [kN] | [kN] | [kN] | [kN] | ||
| 82-40 2199/2-07625 | 2168 | 2164 | 2350 | 1920 | – | – | 1238 | 2065 | 52 | 2295 | 52 | 1936 | 16 | 121 | 178 | 338 | 532 | 1267 | 1000 | 2078 | 10387 | 8535 |
| 82-40 2622/2-07630 | 2590 | 2587 | 2770 | 2336 | – | – | 1495 | 2485 | 60 | 2715 | 60 | 2352 | 16 | 147 | 178 | 338 | 568 | 1345 | 1068 | 2477 | 12731 | 10171 |
| 82-40 2950/2-07635 | 2918 | 2915 | 3100 | 2646 | – | – | 1764 | 2815 | 60 | 3045 | 60 | 2664 | 18 | 148 | 214 | 385 | 594 | 1403 | 1117 | 2786 | 13934 | 11439 |
| 82-40 3300/2-07640 | 3268 | 3265 | 3450 | 3006 | – | – | 1935 | 3165 | 66 | 3395 | 66 | 3024 | 18 | 168 | 214 | 385 | 619 | 1462 | 1162 | 3115 | 15587 | 12793 |
| Drawing number | Outside diameter outer ring | Weight |
| Da | G | |
| [mm] | [kg] | |
| 82-40 2199/2-07625 | 2350 | 1238 |
| 82-40 2622/2-07630 | 2770 | 1495 |
| 82-40 2950/2-07635 | 3100 | 1764 |
| 82-40 3300/2-07640 | 3450 | 1935 |
SERIES 850
External Gear
| Drawing number | Dimension and weight | Mounting holes | Gearing and tooth forces | Load ratings | ||||||||||||||||||
| Inside diameter outer ring | Outside diameter inner ring | Outside diameter outer ring | Inside diameter inner ring | Diameter outer ring | Diameter inner ring | Weight | Pitch circle diameter inner ring | Number of holes inner ring | Pitch circle diameter outer ring | Number of holes outer ring | Pitch circle diamete | Modul | Number of teeth | Permissible tooth force | Maximum permissible tooth force | Dynamic | Static | |||||
| Di | da | Da | di | a | b | G | Li | ni | La | na | do | m | z2 | f2 norm | fz max | C rad | C axT | C axH | Co rad | Co axT | Co axH | |
| [mm] | [mm] | [mm] | [mm] | [mm] | [mm] | [kg] | [mm] | [-] | [mm] | [-] | [mm] | [-] | [kN] | [kN] | [kN] | [kN] | [kN] | [kN] | [kN] | [kN] | ||
| 81-50 2987/2-06940 | 3022 | 3025 | 3290.4 | 2820 | – | – | 2288 | 2880 | 66 | 3130 | 66 | 3240 | 18 | 180 | 227 | 403 | 749 | 1774 | 1408 | 3424 | 17019 | 14062 |
| 81-50 3167/2-06945 | 3202 | 3205 | 3470.4 | 3000 | – | – | 2431 | 3060 | 66 | 3310 | 66 | 3420 | 18 | 190 | 227 | 403 | 766 | 1810 | 1439 | 3631 | 18044 | 14912 |
| 81-50 3347/2-06950 | 3382 | 3385 | 3650.4 | 3180 | – | – | 2566 | 3240 | 72 | 3490 | 72 | 3600 | 18 | 200 | 227 | 403 | 782 | 1853 | 1469 | 3838 | 19070 | 15762 |
| 81-50 3567/2-06955 | 3602 | 3605 | 3866.4 | 3400 | – | – | 2702 | 3460 | 78 | 3710 | 78 | 3816 | 18 | 212 | 227 | 403 | 799 | 1892 | 1502 | 4091 | 20323 | 16801 |
| 81-50 3747/2-06960 | 3782 | 3785 | 4046.4 | 3580 | – | – | 2837 | 3640 | 84 | 3890 | 84 | 3996 | 18 | 222 | 227 | 403 | 814 | 1932 | 1530 | 4298 | 21349 | 17651 |
| 81-50 4140/2-06965 | 4175 | 4178 | 4456 | 3970 | – | – | 3282 | 4030 | 90 | 4285 | 90 | 4400 | 20 | 220 | 260 | 465 | 844 | 2002 | 1587 | 4750 | 23588 | 19508 |
| Drawing number | Outside diameter outer ring | Weight |
| Da | G | |
| [mm] | [kg] | |
| 81-50 2987/2-06940 | 3290.4 | 2288 |
| 81-50 3167/2-06945 | 3470.4 | 2431 |
| 81-50 3347/2-06950 | 3650.4 | 2566 |
| 81-50 3567/2-06955 | 3866.4 | 2702 |
| 81-50 3747/2-06960 | 4046.4 | 2837 |
| 81-50 4140/2-06965 | 4456 | 3282 |
Internal Gear
| Drawing number | Dimension and weight | Mounting holes | Gearing and tooth forces | Load ratings | ||||||||||||||||||
| Inside diameter outer ring | Outside diameter inner ring | Outside diameter outer ring | Inside diameter inner ring | Diameter outer ring | Diameter inner ring | Weight | Pitch circle diameter inner ring | Number of holes inner ring | Pitch circle diameter outer ring | Number of holes outer ring | Pitch circle diamete | Modul | Number of teeth | Permissible tooth force | Maximum permissible tooth force | Dynamic | Static | |||||
| Di | da | Da | di | a | b | G | Li | ni | La | na | do | m | z2 | f2 norm | fz max | C rad | C axT | C axH | Co rad | Co axT | Co axH | |
| [mm] | [mm] | [mm] | [mm] | [mm] | [mm] | [kg] | [mm] | [-] | [mm] | [-] | [mm] | [-] | [kN] | [kN] | [kN] | [kN] | [kN] | [kN] | [kN] | [kN] | ||
| 82-50 2559/2-06970 | 2522 | 2524 | 2725 | 2250 | – | – | 1892 | 2410 | 60 | 2670 | 60 | 2268 | 18 | 126 | 240 | 440 | 710 | 1678 | 1334 | 2955 | 14580 | 12134 |
| 82-50 3040/2-06975 | 3002 | 3005 | 3205 | 2720 | – | – | 2295 | 2890 | 72 | 3150 | 72 | 2740 | 20 | 137 | 272 | 495 | 755 | 1785 | 1419 | 3508 | 17321 | 14406 |
| 82-50 3520/2-06980 | 3482 | 3485 | 3685 | 3200 | – | – | 2657 | 3370 | 78 | 3630 | 78 | 3220 | 20 | 161 | 272 | 495 | 798 | 1888 | 1501 | 4060 | 20056 | 16674 |
| 82-50 3839/2-06985 | 3801 | 3804 | 4006 | 3520 | – | – | 2905 | 3690 | 84 | 3950 | 84 | 3540 | 20 | 177 | 272 | 495 | 823 | 1948 | 1547 | 4427 | 21873 | 18180 |
| Drawing number | Outside diameter outer ring | Weight |
| Da | G | |
| [mm] | [kg] | |
| 82-50 2559/2-06970 | 2725 | 1892 |
| 82-50 3040/2-06975 | 3205 | 2295 |
| 82-50 3520/2-06980 | 3685 | 2657 |
| 82-50 3839/2-06985 | 4006 | 2905 |




